当前位置: 主页 > 产品中心 > 压电薄膜传感器 > 压电薄膜传感器部件 >

Ameaning

在线反馈

可以将问题或建议反馈给我们。

点击这里给我发消息

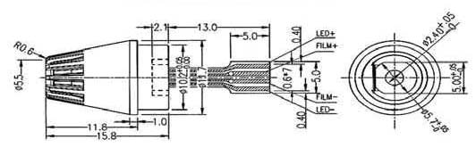
TE超声波笔头PT80KHZ


时间: 2018-11-16 15:41 来源: 爱敏智能 作者: 爱敏智能 点击:

产品型号:PT80KHZ

产品品牌:美国 TE

产品分类:压电薄膜传感器










 产品描述 


超声波笔头传感器由压电薄膜(PVDF),广角GaAs IrLED,柔性电路板,和塑料保护罩组成,适用于数字手写笔应用。圆柱形传感器结构紧凑,360°水平全视角,频带宽。笔头传感器PT80KHZ能够很好地与屏蔽型接收器相匹配。



 产品特点 
 

  • 全方位水平视角
  • 宽的带宽
  • 低谐振Q值
  • 良好的抗冲击性能
  • 轻量化设计
  • 低成本
  • 超声波传感器
  • 宽角度GaAs IrLEDs
  • 柔性印刷电路
  • 条形的塑胶头部保护罩



 主要应用 
 

  • 数字手写笔



 技术规格 




 尺寸图  

   

织梦二维码生成器